
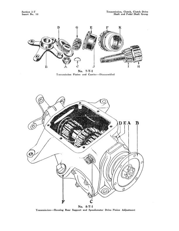
This is a reproduction of the manual printed by Studebaker that was used by mechanics at the Studebaker dealership to work on vehicles. You will find step-by-step illustrated instructions for repairing your car. Learn how to work on axles, wheels, steering gear, springs, brakes, transmission, clutch, clutch drive shaft, pedal shaft, universal joints, propeller shaft, motor, gasoline system, electrical, body, chassis, top, windshield, and fenders. New condition. Buy now to own the best repair manual for your car.
Studebaker
"Studebaker Service Manual Big and Special Six 1918-24 Models EG-EH-EK-EL"
596
Included
This item is a reproduction
10.80 x 8.40 x 1.20 inches
You can be the first one to write a review.
