
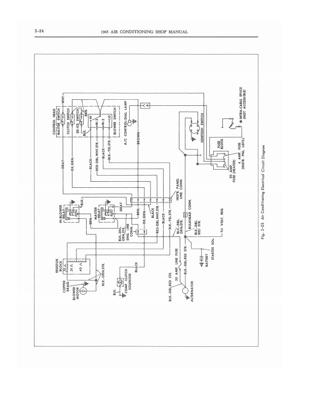
This is a reprint of the manual that Pontiac dealer mechanics used when working on your car's a/c system. This information is not found in the main shop manual for your car. You will find step-by-step illustrated instructions for all types of repairs, from minor adjustments to complete replacement. You will find out how to perform troubleshooting diagnosis, remove and replace parts, and maintain the system. With exploded and cutaway illustrations, wiring diagrams, and specifications, you'll have the info you need to keep your air conditioner running cool. This manual covers the Pontiac Tri-Comfort Circ-L-Aire Conditioning System, which comes equipped with a heater, for all 1965 Pontiacs including the: GTO, Tempest, Lemans, Custom, Catalina, Star Chief, Bonneville, and Grand Prix. For standard heater installations, this manual will refer you back to the 1965 Pontiac or Tempest Shop Manual. Brand new condition. Buy now to own the best manual for your air conditioner.
Pontiac
"1965 Pontiac Air Conditioning Shop Manual"
172
Included
This item is a reproduction
11.00 x 8.50 x 0.25 inches
S6504ACREPRINT
You can be the first one to write a review.
