
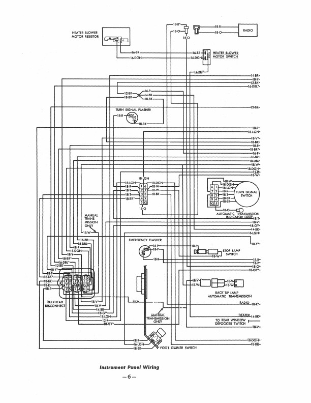
"Data, Specifications and Service Procedures 1967 Plymouth Barracuda" This is a reprint of the supplement that shows repairs exclusive to the 1967 Barracuda. This bulletin supplements the 1967 Plymouth Service Manual. The bulletin covers the new features and service procedures which are exclusive with the 1967 Plymouth Barracuda model. For repairs that the Barracuda shares with other Plymouths, this supplement refers you to the main 1967 Plymouth manual. This 8.5 x 11 inch bulletin has 31 pages and is in new condition. Buy now to own the best manual for your Barracuda.
31
"Data, Specifications and Service Procedures 1967 Plymouth Barracuda"
Plymouth
Included
This item is original.
11.00 x 8.50 x 0.06 inches
67256 REPRINT
You can be the first one to write a review.