
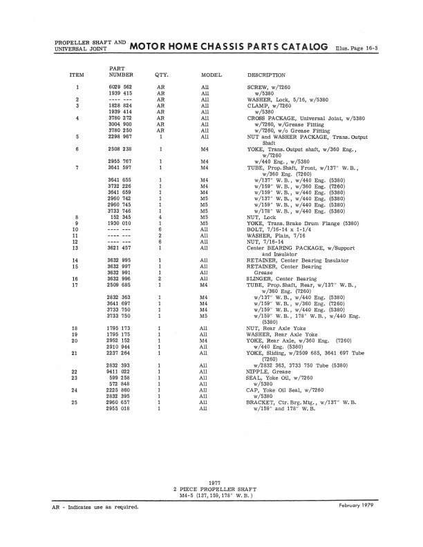
"Motor Home Chassis Parts Catalog." This is a reprint of the mechanical parts book that the dealer's department used to order parts. You will find the original part numbers, which are still useful today because most parts vendors still use the original manufacturer's numbers to keep track of their parts. Every item is indexed numerically. The text is accompanied by an exploded view illustrations for easy identification with the corresponding part number, model ID and description. The exploded views are helpful if you're working on the vehicle. Covers the parts of the motorhome made by Dodge - everything except body parts. Includes suspension, axles, brakes, cooling system, electrical, engine, exhaust, frame, fuel system, prop shaft, u-joints, springs, steering, transmission, and wheels. Find out if the parts on your vehicle and the parts you are buying are original and complete. Find out which parts on your motorhome can interchange with other years and models covered in this book. This covers 1969-1977 Dodge Motor Home chassis, including models M-300, M-375, M-400, M-500, M-600, RM-300, RM-350, and RM-400. The book measures at 8.5" x 11", has 336 pages, and is in new condition. Buy now to own this useful book!
336
"Motor Home Chassis Parts Catalog"
Dodge
This item is original.
11.00 x 8.50 x 0.75 inches
816901389 REPRINT
You can be the first one to write a review.
