
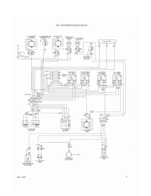
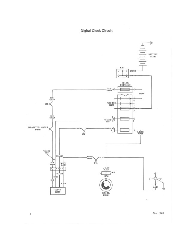
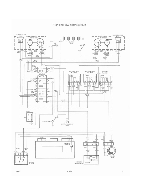
Written for Fiat dealership mechanics, this factory-published original wiring diagram shows you how to follow the wiring from bumper-to-bumper. It will help you understand connector configurations, and locate and identify circuits, relays, and grounds. You will not find these wiring diagrams in the factory shop manual. Wiring diagrams are black and white, but they frequently have color codes printed on each line of the diagram that represents a wire. You will also find vacuum diagrams for the emission system included in this book. Buy now for the best electrical information available.
Fiat X 1/9 1979 thru 1981 Wiring Diagrams
45
Included
This item is a reproduction
10.85 x 8.45 x 0.15 inches
none
You can be the first one to write a review.