
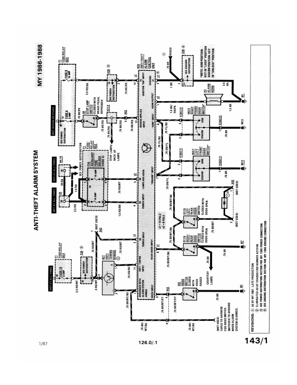
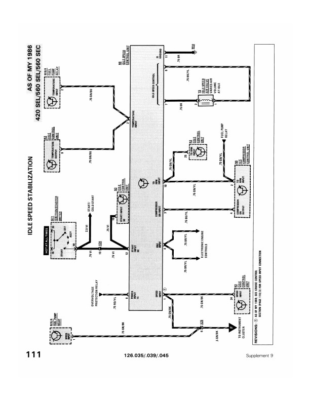
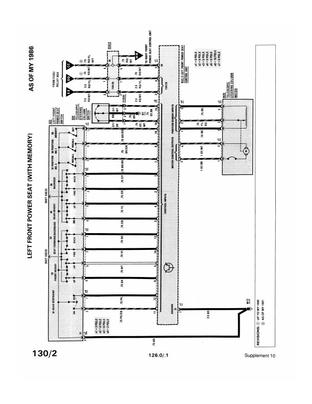
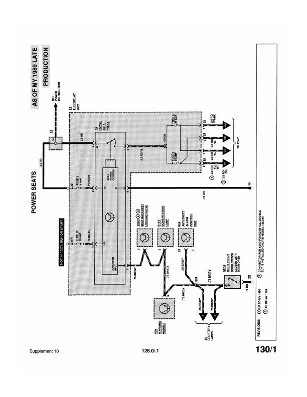
Written for dealership mechanics, this wiring diagram shows you how to follow the wiring from bumper-to-bumper. It will help you understand connector configurations, and locate and identify circuits, relays, and grounds. You will not find these wiring diagrams in the factory shop manual. Wiring diagrams are black and white, but they frequently have color codes printed on each line of the diagram that represents a wire.
Why buy a factory manual?
Fix it right the first time with the factory repair manual and save money by doing the job yourself. Factory experts prepare these manuals for their dealership service departments, so they're the most complete and specific source of repair techniques. Repair manuals are also called shop manuals, maintenance manuals, service manuals, or technical information manuals.