
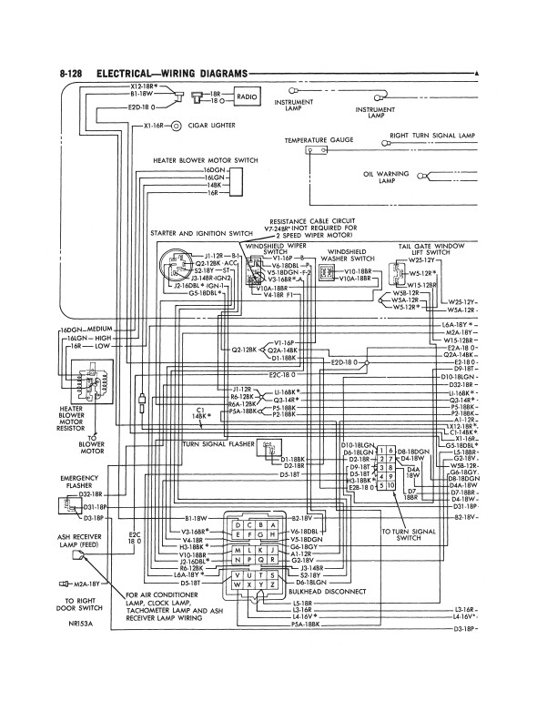
Written for Plymouth dealership mechanics, this page for page reproduction of the factory manual shows you how to work on your car. With step-by-step instructions, clear pictures, exploded view illustrations, wiring diagrams, schematics, and specifications, you will have the information you need to get your project on the road and keep it there. The books are in new condition. Buy now to own the best manual for your car.
chrysler plymouth
"Plymouth 1969 Service Manual"
1006
Included
This item is original.
11.00 x 8.50 x 2.13 inches
815709450 REPRINT
You can be the first one to write a review.
