
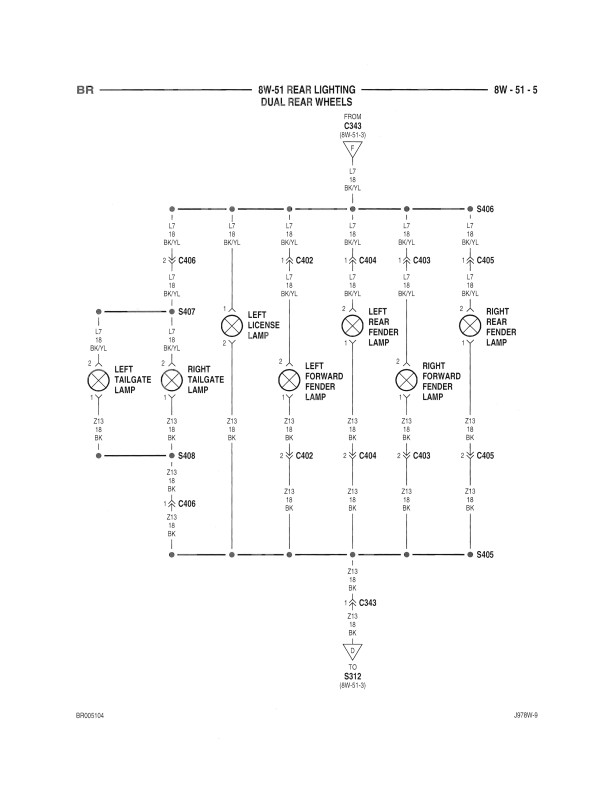
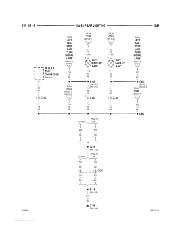
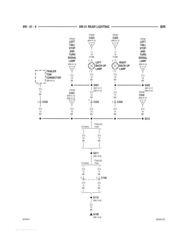
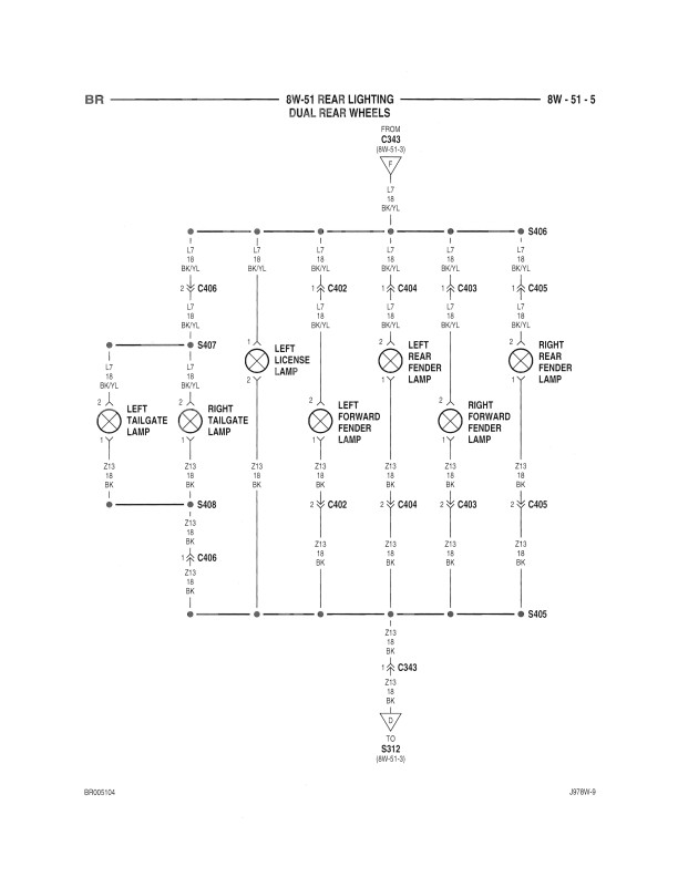
This factory information shows you how to repair your vehicle. With step-by-step instructions, clear pictures, exploded view illustrations, schematics, and specifications, you will have the information you need to get your project on the road and keep it there. Buy now to own the best manual for your truck.
Why buy a factory manual?
Fix it right the first time with the factory repair manual and save money by doing the job yourself. Factory experts prepare these manuals for their dealership service departments, so they're the most complete and specific source of repair techniques. Repair manuals are also called shop manuals, maintenance manuals, service manuals, or technical information manuals.
"1997 Service Manual Ram Truck 1500-3500 2 Wheel Drive 4 Wheel Drive"
1978
Dodge
Included
This item is original.
10.80 x 8.40 x 4.15 inches
813707108 REPRINT
You can be the first one to write a review.